
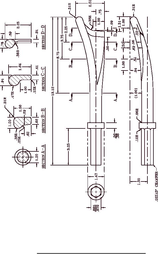
MIL-PRF-423G
NOTES:
1. All dimensions are in inches.
2. Unspecified tolerance is ±0.03.
3. For interpretation of dimensioning and tolerancing, see ASME Y14.5.
FIGURE 1. Type I (tool for cutting out heads from metal drums).
8
For Parts Inquires call Parts Hangar, Inc (727) 493-0744
© Copyright 2015 Integrated Publishing, Inc.
A Service Disabled Veteran Owned Small Business